采用玻璃纖維增強塑料樹脂制成的惰輪具有高轉矩抗力,確保非常精確的齒形和抗磨損性。
塑料材質的惰輪相比鋼制材料惰輪,質量更輕(可輕5倍),具有極佳的抗腐蝕性和抗化學侵蝕性。
鏈輪材質為加強型聚酰胺,有良好的耐熱性、耐磨性以及耐化學腐蝕性。
一體化設計使得鏈輪的尺寸更加小巧,便于安裝在空間有限的傳動系統中。
齒形精確,可以與鏈板良好的配合,提供動力,以此準確、迅速輸送物品。
根據機械傳動系統的設計要求,確定鏈輪的安裝位置。確保鏈輪的安裝位置準確無誤,以保證傳動的精度和穩(wěn)定性。
確定鏈輪安裝于軸的方式,熟悉流程,確保鏈輪固定在軸上,防止送動。
將鏈板套在鏈輪上,確保鏈板的方向正確。鏈板的方向應與鏈輪的旋轉方向一致,以保證傳動的順暢性。
安裝完成后,檢查鏈輪和鏈板的安裝質量。確保鏈輪安裝牢固,鏈條張緊度適中,傳動順暢無卡頓,確保鏈輪和鏈條在同一平面內,避免出現偏斜或跳動等現象。
從動鏈輪應有張緊裝置。
鏈輪磨損過大時最好及時更換,否則會加劇鏈板和鏈輪的磨損。
由于主動鏈輪轉速高、齒數少,在相同條件下,比從動輪磨損快些,屬正常情況。
要定期地清潔及潤滑鏈輪,以提高其使用壽命。
加強型聚酰胺比普通的聚酰胺具有更高的拉伸強度、彎曲強度和壓縮強度,可承受更大的載荷,具有良好的韌性和抗沖擊性,在受到沖擊時不易破裂,耐磨性優(yōu)異。
具有良好的可加工性,可采用注塑、擠出、吹塑等多種加工方法制造各種形狀的零部件,聚酰胺的流動性較好,可在較低的溫度和壓力下成型,降低了加工成本。

點擊圖片放大
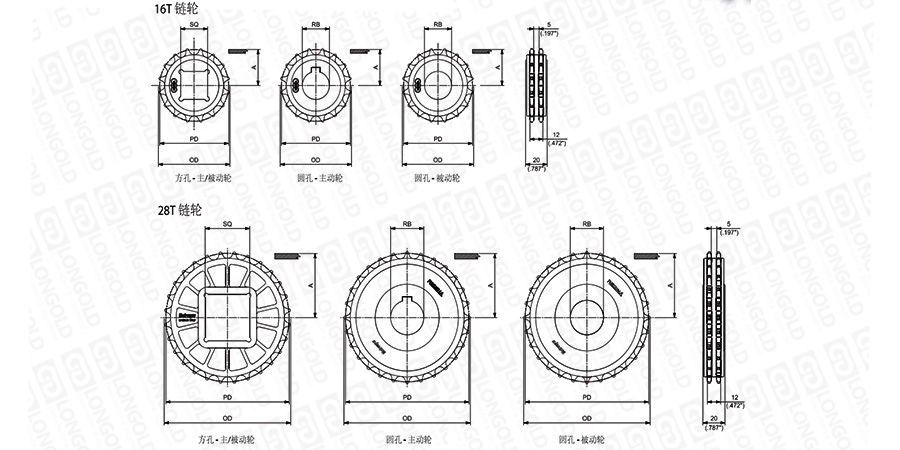
■鏈輪結構詳見如上圖
上圖為鏈輪600系列 注塑一體式的結構圖。
可根據客戶的需求,定制鏈輪的齒數,詳細請咨詢隆德技術人員。
■鏈輪尺寸表
|
齒數 |
分度圓
直徑
|
齒頂圓
直徑
|
墊條
定位
|
孔徑* |
型號(方孔)
主/被動輪
|
型號(圓孔) |
重量 |
PDF圖紙 |
DXF圖紙 |
||||||
|
PD |
OD |
A |
主動輪 |
被動輪 |
kg |
lbs |
|||||||||
|
mm |
inch |
mm |
inch |
mm |
inch |
mm |
inch |
SQ |
RB |
||||||
|
16 |
65.10 |
2.563 |
66.30 |
2.610 |
28.20 |
1.110 |
20 |
- |
- |
MPBT6001620 |
MPBF6001620 |
0.06 |
0.13 |
||
|
25 |
- |
MPBQ6001625 |
MPBT6001625 |
MPBF6001625 |
0.05 |
0.12 |
|||||||||
|
30 |
- |
- |
MPBT6001630 |
MPBF6001630 |
0.05 |
0.10 |
|||||||||
|
- |
1 |
- |
MPBT60016254 |
MPBF60016254 |
0.05 |
0.12 |
|||||||||
|
- |
1 1/4 |
- |
MPBT60016317 |
MPBF60016317 |
0.04 |
0.10 |
|||||||||
|
28 |
113.43 |
4.466 |
114.70 |
4.516 |
52.40 |
2.063 |
25 |
- |
- |
MPBST6002825 |
MPBSF6002825 |
0.15 |
0.32 |
||
|
30 |
- |
MPBQ6001625 |
MPBST6002830 |
MPBSF6002830 |
0.14 |
0.31 |
|||||||||
|
35 |
- |
- |
MPBST6002835 |
MPBSF6002835 |
0.13 |
0.29 |
|||||||||
|
40 |
- |
MPBSQ6002840 |
MPBST6002840 |
MPBSF6002840 |
0.12 |
0.27 |
|||||||||
|
60 |
|
MPBSQ6002860 |
MPBST6002860 |
MPBSF6002860 |
0.10 |
0.23 |
|||||||||
|
- |
1 |
- |
MPBST60028254 |
MPBSF60028254 |
0.15 |
0.32 |
|||||||||
|
- |
1 1/4 |
- |
MPBST60028317 |
MPBSF60028317 |
0.14 |
0.30 |
|||||||||
|
- |
1 1/2 |
MPBSQ60028381 |
MPBST60028381 |
MPBSF60028381 |
0.13 |
0.28 |
|||||||||
|
MPBT |
|
600 |
|
16 |
|
20 |
|
(1) |
|
(2) |
|
(3) |
|
(4) |
(1)注塑一體式圓孔主動輪
(2)鏈輪系列
(3)齒數:16齒
(4)孔徑
您在努力掌握如何開始自動化嗎?
如果您正確實現以下目標,與我們的專家進行深入的對話可以讓您少走很多彎路:
?提高生產力
?改進工藝和產品質量
?提高競爭力
?提高靈活性,滿足客戶多樣化需求
與我們的專家進行一次一對一的交流,我們會幫助您利用協作機器人實現自動化。
|
|
|
|
|
|
隱私協議
|
|
|
|
本網站由廣州隆德鏈條重機有限公司(以下簡稱“隆德鏈條”)創(chuàng)設。任何人士使用本網站前,請仔細閱讀下列條款: |
|
|
|
本網站的資料、信息及其他內容由隆德鏈條提供,任何人進入本網站閱讀任何內容、從本網站下載任何材料或使用本網站提供的資料,即表示同意遵守這些條款。這些條款構成隆德鏈條與您之間的協議。若不同意遵守這些條款,切勿使用本網站。隆德鏈條保留未經通知隨時更新下列條款的權利,這些更新將同樣也約束您。 |
|
|
|
|
|
|
|
權利聲明
|
|
信息提交成功,謝謝!